Kuis Rangakain Terhubung Magnet dan Transformator
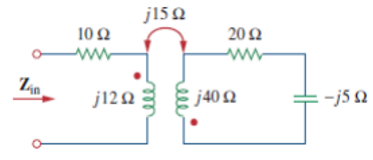
1. Tentukan Impedansi input :
Jawab:$Z_{in}=(10+j12+\frac{15^2}{20+j40-j5})\Omega$
2. Tentukan arus $I_{1}$ dan $I_{2}$ pada trafo ideal
Jawab:
$Z_{R}=\frac{2}{n^2}=18 \Omega$
$Z_{in}=10+Z_{R}=28 \Omega$
Maka, $I_{1}=\frac{14}{28}=0.5A$
$I_{2}=-\frac{I_{1}}{n}=-1.5A$
Note: n=1/3
3. Tentukan tegangan output
Jawab: Persamaan gelombang $V_{m}\cos(\omega t+\phi)$ didapat
$$\omega=2$$
$$V_{m}=24$$
$$\phi = 0^\circ$$
Ubah satuan induktansi dan kapasitansi
2H--> $j\omega L=j4$
0.5F -->$\frac{1}{j\omega C}=\frac{1}{j}=-j$
0.5H-->$j\omega L=j$
loop 1
$24=j4I_{1}-jI_{2}$
loop 2
$0=-jI_{1}+j4I_{2}-jI_{2}$
$jI_{1}=j3I_{2}$
$I_{1}=3I_{2}$
Substitusi
$24=j4I_{1}-jI_{2}$
$24=j4(3I_{2})-jI_{2}$
$I_{2}=\frac{24}{j11}=-j2.18 A$
Karena $V_{o}=-jI_{2}$ maka
$V_{o}=-j(-j2.18)=-2.18 \cos 2t V$
4. Tentukan daya pada beban $Z_{L}=20-j40$ dalam rangkaian ideal autotrafo
$N_{1}=1000, N_{2}=200$
$\frac{V_{1}}{V_{2}}=\frac{I_{2}}{I_{1}}=1+\frac{N_{1}}{N_{2}}=6$
$V_{1}=6V_{2}$
$I_{2}=6I_{1}$
loop1
$120= (30+j12)I_1+V_{1}$
$120=(30+j12)\frac{I_{2}}{6}+6V_{2}$
loop2
$V_{2}=I_{2}(20-j40)$
substitusi
$120=(30+j12)\frac{I_{2}}{6}+6(I_{2}(20-j40))$
$120=(125-j238)I_{2}$
$I_{2}=0.2+j0.395 A$
Daya pada beban $Z{L}$
$P=I_{2}^2 Z_{L}=(0.2)^2(20)=0.8 W$
5. Tentukan $n,I_{1},I_{2}$
$n=\frac{V_{S}}{\sqrt{3} V_{P}}=\frac{4500}{900}=2.89$
$S=\sqrt{3}V_{P}I_{P}$
$I_{P}=I_{1}=\frac{42000}{900\sqrt{3}}=26.94 A$
$I_{S}=I_{2}=\frac{I_{P}}{n\sqrt{3}}=\frac{26.94}{2.89\sqrt{3}}=5.38A$

Comments
Post a Comment